INTERLUBE Auto
Lubrication System
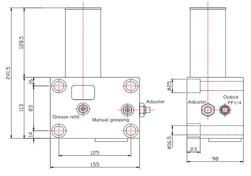
C7
| Model name | C7 |
|---|---|
| Driving energy | Hammer vibration |
| Output pressure | approx 130bar |
| Output quantity | 0.2~1.2 cc/min |
| Cartridge type | Screw 20mm x O.D 62mm |
| Exterior size | 155mm x 98mm x 241.5mm |
| Weight | approx 4.5Kg |
| Output port | PF 1/4" |
| Available temperature | -20℃ ~ 60℃ |